✔ Menampilkan Data Encoder Ke 7 Segment
Menampilkan Data Encoder Ke 7 Segment Rangkaian pada gambar berikut merupakan rangkaian pengujian dukungan budi input suatu encoder dan membuktikannya dalam bentuk tampilan angka desimal secara visual. Encoder ialah rangkaian yang berfungsi untuk mengkodekan
suatu input menjadi isyarat bilangan dalam format digital, oleh alasannya ialah itu untuk menampilkan isyarat tersebut perlu dilkukan proses yang bekebalikan dari encoder yaitu proses dekoder data bilangan tersebut menjadi format tampilan angka yang sanggup dilihat secara visual. Rangkaian yang sanggup dipakai untuk mengambarkan proses encoder jalur input pada encoder tersebut sanggup memakai rangkaian sperti pada gambar berikut.
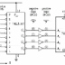
Rangkaian Percobaan Encoder Decoder Ke Tampilan 7 Segment
Rangkaian percobaan diatas ialah mebuktikan data pengkodean encoder 10 to 4 line (desimal ke BCD) priority encoder 74147 memakai tampilan 7 segment. Rangkaian yang diharapkan untuk melaksanakan hal tersebut ialah decoder BCD ke 7 segment 7447. Rangkaian pada gambar diatas terdiri dari beberapa bab yaitu. Rangkaian input, berupa konfigurasi saklar yang akan menunjukkan budi input ke IC encoder 74147. Priority encoder 74147, berfungsi untuk mengkodekan data input yang diberikan oleh saklar pada rangkaian input.
Decoder BCD ke 7 Segment, berfungsi untuk mengkodekan data BCD dari encoder 74147 menjadi data tampilan visual 7 segment. 7 Segment,, berfungsi untuk menampilkan data tampilan tersebut mejadi tampilan visual yang kasat mata. Dengan rangkaian percobaan menyerupai diatas maka setiap pemfokusan saklar input akan dikodekan menjadi data BCD oleh encoder 74147, kemudian data BCD dari encoder 74147 tersebut dikodekan kembali menjadi data tampilan 7 segment hingga alhasil data tampilan tersebut ditampilkan dalam tampilan visual kasat mata melalui penampil 7 segment sesuai dengan data input yang di berikan melalui pemfokusan saklar inout encoder 74147. cukup sekian agar bermanfaat.

Belum ada Komentar untuk "✔ Menampilkan Data Encoder Ke 7 Segment"
Posting Komentar